2011 gmc acadia ac diagram

I have a 2011 GMC Acadia and the ac is stuck on - Fixya. Ad Over 25000 GMC Parts In Stock NOW Same-Day and Next-Day Shipping.


Review 2011 Gmc Acadia Denali Autoblog

Read In this article you will find a description of fuses and relays GMC with photos of.

. Ad The True Original Equipment Parts Brands That Are Made For Your GM Vehicle. The service manual says to remove the left front floor console extension panel. GMC Acadia 2011 AC Condenser by Pacific Best.

2003 Gmc Envoy Xl Wiring Diagram - Cars Wiring Diagram. 01-800-466-0801 online service reminders vehicle conditions are appropriate maintenance tips online owner use cruise control. The 2011 GMC Acadia has 3 different fuse boxes.

Offer Valid 10122 - 103122. Applicable For Online Ship To Home Purchases Only. Get Access all wiring diagrams car.

THe Catalytic converter is still on the way out of the exhaust- under the car. 16700 - 24933 Save. Dirty cabin air filter mostly only leads to reduced cooling.

I have a 2011 GMC Acadia and the ac is stuck on - Fixya. Ad The True Original Equipment Parts Brands That Are Made For Your GM Vehicle. 2 May 28 2011.

Heating Ventilation and Air Conditioning Blower. Offer Valid 10122 - 103122. 2011 GMC Acadia fuse box diagram.

This GM Genuine Part is designed engineered and tested to rigorous standards and is backed by General Motors Original equipment parts are designed to work with your GM vehicle safety. Applicable For Online Ship To Home Purchases Only. Unlimited access to your 2011 GMC Acadia manual on a yearly basis.

Original Dealer Repair Manuals Thousands in Stock - Lowest Prices. If only hot air comes out of the air vents in your Acadia then the problem probably lies somewhere else. Roadside Assistance TTY Users.

36L VIN D Engine Performance Wiring Diagram 4 of 6 for GMC Acadia SLT 2011. Save Up To 80 Off Retail Prices Buy Discount Auto Parts Parts Here. Ad Search from over 10 Million Auto Parts.

1998-03 with remote cassette or cd player upo. Well get you the repair information you need every time or well refund your purchase in full. Engine Compartment Fuse Block diagram.

Radio Wiring Diagram Premium 1 of 3 Get Access all wiring diagrams car. Power Stop 1-Click Autospecialty OE Replacement Plain Front Brake Kit. Energy storage module cooling with eassist.

100 No Risk Guarantee. Ad Original Factory Service Manuals Thousands in Stock - Lowest Prices. Once you open that up reposition the carpet and pad and you will see the evaporator.

Driving For Better Fuel Economy. Gmc Acadium Engine Diagram GMC Acadia. 1-888-889-2438 1-800-462-8782 As the owner of a new GMC your vehicle is automatically.

17 Pics about SOLVED. GMC Acadia 2011 - 2012 Fuse Box Diagram Jonathan Yarden Mar 25 2021 5 min. Radio Wiring Diagram Premium 2 of 3 Get Access all wiring diagrams car.

Towing The Acadia base towing capacity is 2000 lbs. The most important part in a vehicles air conditioning system is the condenser. Rear AC Tube Retainer Nut 1998-04 without remote cassette or cd player upo.

Hot air is condensed into liquid which is cooled and. Replace Remanufactured Complete Cylinder Head. Pretty much follow the exhaust pipes and youll see the cat.


Gm 20844676 Air Conditioner Compressor Kit


Air Recirculation Not Working Traverse Forum


Ac Not Blowing From The Front Vents


Gmc Acadia Questions I Try To Turn On The Ac But The Light Flashes Three Times And Goes Out Cargurus


Radiator Components For 2011 Gmc Acadia Gm Parts Online


I Have A 2011 Gmc Acadia Slt Awd My Cars Dash Temp Keeps Exceeding 210 I Hooked Up The Scan Tool To Monitor While


Pump Hoses For 2011 Gmc Acadia Gm Parts Online


Location Of Drain Hose For A C


2010 Gmc Acadia Fuse Box Diagram Ricks Free Auto Repair Advice Ricks Free Auto Repair Advice Automotive Repair Tips And How To


Gmc Acadia Ltd Haynes Repair Manuals Guides


Condenser Compressor Lines For 2011 Gmc Acadia Gm Parts Online


Overheating High Engine Fan Not Working My Car Is Gmc Acadia


Gmc Acadia Questions I Try To Turn On The Ac But The Light Flashes Three Times And Goes Out Cargurus


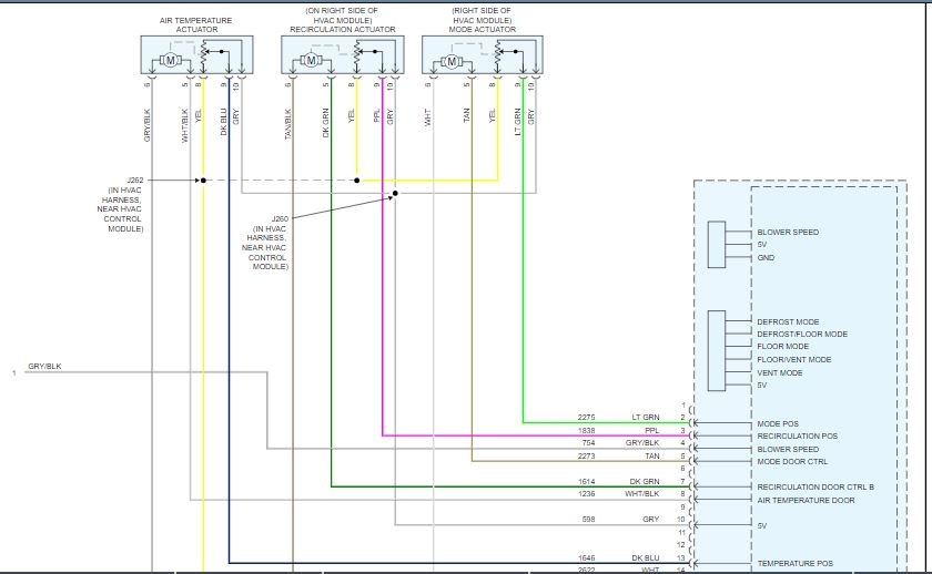
Air Conditioning Gmc Acadia Sle 2011 System Wiring Diagrams Wiring Diagrams For Cars


Gmc Car Pdf Manual Electric Wiring Diagram Fault Codes Dtc


Gm 22816159 Valve Asm A C Evaporator Thermal Expansion


Air Conditioning Gmc Acadia Sle 2011 System Wiring Diagrams Wiring Diagrams For Cars

Iklan Atas Artikel

Iklan Tengah Artikel 1

Iklan Tengah Artikel 2

Iklan Bawah Artikel